The Advantages of 20B chain:
The 20B chain features through-hardened pins and solid bushings, delivering exceptional wear resistance and strength for heavy-duty applications.
Heat-treated and shot-peened components enhance fatigue resistance, ensuring long-lasting durability even under extreme loads.
Its optimized "Max Contour" side plates improve shock absorption, outperforming standard designs in high-impact environments.
Factory pre-loading minimizes elongation over time, maintaining precise operation and reducing maintenance needs.
Compliant with ISO and British standards, the 20b chain offers interchangeability and compatibility with various industrial systems.
Brand Reputation: JINQIU CHAIN, as a prominent 20b chains manufacturer, we offer a complete range of lumber conveyor chains. They combine high strength,durability and fatigue resistance to suit demanding applications.
Quality & Performance: Lumber conveyor chains main products are 81X series, sharp top chain and so on. Chains are widely used in wood conveying equipment.
Price & Value: We offer customization services to meet the specific needs of our clients. This includes OEM and ODM support, allowing us to tailor the product to their requirements. Whether it's a trial order or a large quantity, we can accommodate various customization requests.
Supply Chain: Our wood conveyor chains have strong load-bearing capacity, wear resistance, corrosion resistance, and can operate stably for a long time in harsh working environments.
High Strength for Lumber Conveying:Manufactured from high-quality carbon or alloy steel, the 20B chain provides reliable load capacity for transporting lumber, boards, and wood materials.
Precision Manufactured to ISO Standard:Produced according to ISO 606 / DIN specifications, ensuring smooth engagement with standard sprockets and easy replacement.
Wear & Fatigue Resistance:Heat-treated pins and bushings enhance resistance to wear, elongation, and fatigue, extending service life in demanding environments.
Stable & Smooth Operation:Optimized roller design reduces friction and vibration, supporting continuous operation with minimal maintenance.
Cost-Effective Solution:Compared with special series chains, 20B chains offer high availability, easier sourcing, and competitive cost for many lumber conveyor applications.
Technical Specifications
| Parameter | Value |
| Chain Type | 20B Chain |
| Standard | ISO 606 / DIN |
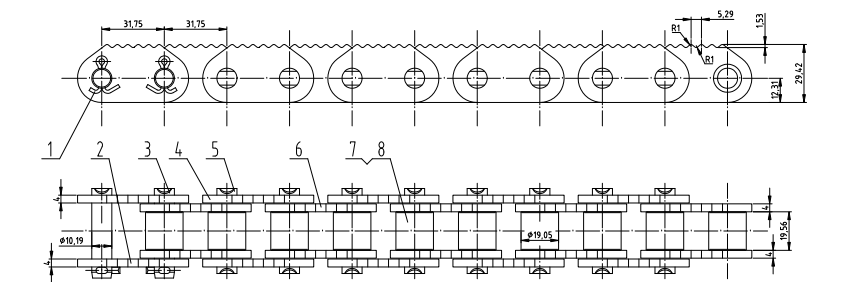
| Pitch | 31.75 mm |
| Roller Diameter | 19.05mm |
| Inner Width | 19.56mm |
| Material | Carbon Steel / Alloy Steel |
| Heat Treatment | Pins & Bushings Hardened |
| Application | Lumber & Wood Conveyors |
Double strand (20B-2) and customized configurations are available on request.
20B Chain Drawings

Applications
Lumber conveyors
Wood processing lines
Board and panel conveying systems
Light to medium duty sawmill conveyors
Industrial material handling equipment